| |
Комплект фрез для изготовления
мебельных фасадов ДФ-02.02 "Фиолент"
Фрезы затылованные из
инструментальной стали Х6ВФ, или с напайными пластинами из быстрорежущей стали
Р6М5, или с напайными пластинами из твердого сплава ВК15. Назначение:
комплект фрез предназначен для изготовления мебельных фасадов из древесины твердых
и мягких пород на универсальных фрезерных станках. Комплектация: комплект
состоит из двух затылованных составных фрез. чертеж | Обозначение |
D, mm | d, mm |
B, mm | Z |
n | | ДФ-02.02.01 |
125 | 32 |
12 | 4 |
9000 | |
ДФ-02.02.02 |
125 | 32 |
14 | 4 |
9000 |
По желанию заказчика параметры фрез могут быть изменены.
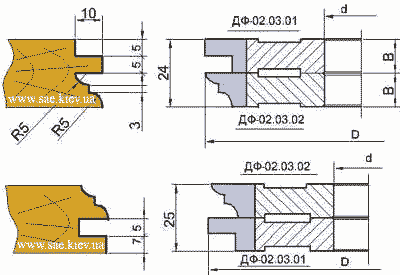
Комплект фрез для изготовления
мебельных фасадов ДФ-02.03 "Фиолент"
  
Фрезы затылованные из инструментальной
стали Х6ВФ, или с напайными пластинами из быстрорежущей стали Р6М5, или с напайными
пластинами из твердого сплава ВК15. Назначение: комплект фрез предназначен
для изготовления мебельных фасадов из древесины твердых и мягких пород на универсальных
фрезерных станках. Комплектация: комплект состоит из двух затылованных
составных фрез. чертеж | Обозначение |
D, mm | d, mm |
B, mm | Z |
n | | ДФ-02.03.01 |
125 | 32 |
12 | 4 |
9000 | |
ДФ-02.03.02 |
125 | 32 |
14 | 4 |
9000 |
По желанию заказчика параметры фрез могут быть изменены.
Комплект фрез для изготовления
мебельных фасадов ДФ-02.07 "Фиолент"
          
           
Фрезы затылованные из инструментальной стали Х6ВФ,
или с напайными пластинами из быстрорежущей стали Р6М5, или с напайными пластинами
из твердого сплава ВК15. Назначение: комплект фрез предназначен для
изготовления мебельных фасадов из древесины твердых и мягких пород на универсальных
фрезерных станках. Комплектация: комплект состоит из четырех затылованных
составных фрез. чертеж | Обозначение |
D, mm | d, mm |
B, mm | Z |
n | | ДФ-02.07.01 |
126 | 32 |
12 | 4 |
6200 | |
ДФ-02.07.02 |
140 | 32 |
12 | 4 |
6200 | |
ДФ-02.07.03 |
140 | 32 |
12 | 4 |
6200 | |
ДФ-02.07.04 |
140 | 32 |
12 | 4 |
6200 |
По желанию заказчика параметры фрез могут быть изменены.
Комплект фрез для изготовления
мебельных фасадов с термошвом ДФ-02.17 производитель "Фиолент"
          
           
Фрезы затылованные из инструментальной стали Х6ВФ,
или с напайными пластинами из быстрорежущей стали Р6М5. Назначение:
комплект фрез предназначен для изготовления мебельных фасадов с термошвом из древесины
твердых и мягких пород на универсальных фрезерных станках. Комплектация:
комплект состоит из четырех затылованных фрез. 
| Обозначение |
D, mm | d, mm |
B, mm | Z |
n | | ДФ-02.17.01 |
126 | 32 |
12 | 4 |
6200 | |
ДФ-02.17.02 |
140 | 32 |
16,5 | 4 |
6200 | |
ДФ-02.17.03 |
140 | 32 |
15,6 | 4 |
6200 | |
ДФ-02.17.04 |
140 | 32 |
12 | 4 |
6200 |
По желанию заказчика параметры фрез
могут быть изменены.
Комплект фрез для изготовления
мебельных фасадов с термошвом ДФ-02.18 производитель "Фиолент"
Фрезы затылованные из инструментальной стали Х6ВФ,
или с напайными пластинами из быстрорежущей стали Р6М5 или с напайными пластинами
твердого сплава ВК15. Назначение: комплект фрез предназначен для изготовления
мебельных фасадов с термошвом из древесины твердых и мягких пород на универсальных
фрезерных станках. Комплектация: комплект состоит из четырех затылованных
фрез. 
| Обозначение |
D, mm | d, mm |
B, mm | Z |
n | | ДФ-02.18.01 |
130 | 32 |
15 | 4 |
6200 | |
ДФ-02.18.02 |
143 | 32 |
15 | 4 |
6200 | |
ДФ-02.18.03 |
130 | 32 |
15 | 4 |
6200 | |
ДФ-02.18.04 |
122 | 32 |
15 | 4 |
6200 |
По желанию заказчика параметры
фрез могут быть изменены.
Комплект фрез для изготовления
мебельных фасадов ДФ-02.21 производитель "Фиолент"
Фрезы затылованные с напайными пластинами из быстрорежущей
стали Р6М5 и твердого сплава ВК15. Назначение: комплект фрез предназначен
для изготовления мебельных фасадов из древесины твердых и мягких пород на универсальных
фрезерных станках. Комплектация: комплект состоит из трех затылованных
фрез. 
| Обозначение |
D, mm | d, mm |
B, mm | Z |
n | | ДФ-02.21.01 |
140 | 32 |
12,5 | 4 |
9000 | |
ДФ-02.21.02 |
116 | 32 |
11 | 4 |
9000 | |
ДФ-02.21.03 |
140 | 32 |
12 | 4 |
9000 |
По желанию заказчика параметры
фрез могут быть изменены.
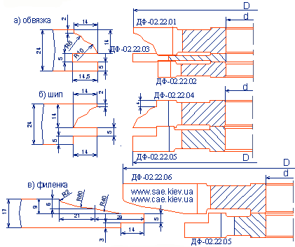
Комплект фрез для
изготовления мебельной обвязки, шипа и филенки ДФ-02.22
производитель "Фиолент"
Фрезы
затылованные с напайными пластинами из быстрорежущей стали Р6М5. Назначение:
комплект фрез предназначен для изготовления мебельной обвязки, шипа и филенки
из древесины твердых и мягких пород на универсальных фрезерных станках. Комплектация:
комплект состоит из шести фрез. 
| Обозначение |
D, mm | d, mm |
B, mm | Z |
n | | ДФ-02.22.01 |
127 | 32 |
16 | 4 |
6200 | |
ДФ-02.22.02 |
99 | 32 |
9,5 | 4 |
6200 | |
ДФ-02.22.03 |
128 | 32 |
5 | 4 |
6200 | |
ДФ-02.22.04 |
128 | 32 |
16 | 4 |
6200 | |
ДФ-02.22.05 |
128 | 32 |
14,5 | 4 |
6200 | |
ДФ-02.22.06 |
200 | 32 |
18 | 4 |
6200 |
По желанию заказчика
параметры фрез могут быть изменены.
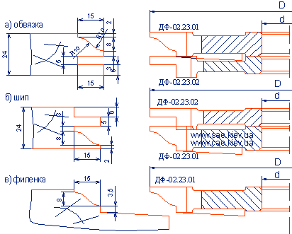
Комплект фрез
для изготовления мебельной обвязки, шипа и филенки ДФ-02.23
производитель "Фиолент"
Фрезы
затылованные с напайными пластинами из быстрорежущей стали Р6М5 или твердого сплава
ВК15. Назначение: комплект фрез предназначен для изготовления мебельной
обвязки, шипа и филенки из древесины твердых и мягких пород на универсальных фрезерных
станках. Комплектация: комплект состоит из двух фрез. 
| Обозначение |
D, mm | d, mm |
B, mm | Z |
n | | ДФ-02.23.01 |
160 | 32 |
16,5 | 4 |
6200 | |
ДФ-02.23.02 |
160 | 32 |
12 | 4 |
6200 |
По желанию заказчика параметры фрез могут быть изменены.
-
Цены - -
Фото -
Пишите:sae@sae.kiev.ua
Звоните: +380
(67) 504-64-49 или +380 (50) 377-85-09
| |