|
Продукция предприятия
"Фиолент"
|
||||||||||||||||||||||||||||||||||||||||||||||||||||||||||||||||||||||||||||||||||||||||||||||||||||||||||||||||||||||||||||||||||||||||||||||||||||||||||||||||||||||||||||||||||||||||||||||||||||||||||||||||||||||||||||||||||||||||||||||||||||||||||||||||||||||||||||||||||||||||||||||||||||||||||||||||||||||||||||||||||||||||||||||||||||||||||||||||||||||||||||||||||||||||||||||||||||||||||||||||||||||||||||||||||||||||||||||||||||||||||||||||||||||||||||||||||||||||||||||||||||||||||||||||||||||||||||||||||||||||||||||||||||||||||||||||||||||||||||||||||||||||||||||||||||||||||||||||||
Комплект фрез для изготовления
обшивочной доски (вагонки)
|
| D, mm |
d, mm | B, mm |
Z | n |
| 130 |
32 | 22 |
6 | 9000 |
| 160 |
40 | 22 |
6 | 6200 |
| 180 |
60 | 22 |
6 | 6200 |
По желанию заказчика параметры фрез могут быть изменены.
Фрезы затылованные из инструментальной стали Х6ВФ
или с напайными пластинами Р6М5.
Назначение: комплект фрез предназначен
для изготовления обшивочной доски (вагонки) из древесины твердых и мягких пород
на универсальных фрезерных и четырехсторонних станках. ![]()
![]()
![]()
![]()
![]()
![]()
![]()
Комплектация: комплект состоит из двух цельных затылованных фрез (левой
и правой). ![]()
![]()
чертеж
| Обозначение |
D, mm | d, mm |
B, mm | Z |
n |
| ДФ14.15.01...04 |
180 | 60 |
22 | 6 |
6200 |
|
ДФ14.16.01,03 |
170 | 40 |
22 | 6 |
6200 |
|
ДФ14.16.02,04 |
160 | 40 |
22 | 6 |
6200 |
По желанию заказчика параметры фрез могут быть изменены.
Фрезы затылованные из
инструментальной стали Х6ВФ или с напайными пластинами Р6М5.
Назначение:
комплект фрез предназначен для изготовления обшивочной доски (вагонки) из древесины
твердых и мягких пород на универсальных фрезерных и четырехсторонних станках.
Комплектация: комплект состоит из двух полукомплектов (правого и левого)
или из двух правых фрез для фрезерных станков. Каждый полукомплект состоит из
двух фрез соединенных между собой штифтами.![]()
![]()
![]()

Обозначение |
D, mm | d, mm |
B, mm | Z |
n |
ДФ-14.63 |
140 | 32 |
32 | 4 |
6200 |
ДФ-14.59 | 160 | 40 | 32 | 6 | 6200 |
ДФ-14.18 | 180 |
60 | 32 |
6 | 6200 |
По желанию заказчика параметры фрез могут быть изменены.
Фрезы затылованные из инструментальной стали Х6ВФ
или с напайными пластинами Р6М5.![]()
![]()
![]()
![]()
![]()
Назначение: комплект фрез предназначен для изготовления обшивочной доски
(вагонки) с трапециидальным соединением из древесины твердых и мягких пород на
универсальных фрезерных и четырехсторонних станках.
Комплектация:
комплект состоит из двух цельных затылованных фрез (левой и правой). ![]()
![]()
![]()
![]()
![]()
![]()
![]()
![]()
![]()
![]()
![]()

Обозначение |
D, mm | d, mm |
B, mm | Z |
n |
ДФ-14.00.19(20) ДФ-14.00.21(22) |
150 | 32 |
32 | 6 |
6200 |
ДФ-14.00.05(06) ДФ-14.00.07(08) |
160 | 40 |
32 | 6 |
6200 |
ДФ-14.00.01(02) ДФ-14.00.03(04) |
180 | 60 |
32 | 6 |
6200 |
По желанию заказчика параметры фрез могут быть изменены.
Фрезы затылованные из
инструментальной стали Х6ВФ или с напайными пластинами Р6М5.![]()
![]()
![]()
![]()
![]()
Назначение: комплект фрез предназначен для изготовления обшивочной доски
(вагонки) с трапециидальным соединением из древесины твердых и мягких пород на
универсальных фрезерных и четырехсторонних станках.
Комплектация:
комплект состоит из двух цельных затылованных фрез (левой и правой).

Обозначение |
D, mm | d, mm |
B, mm | Z |
n |
ДФ-14.00.29(30) ДФ-14.00.31(32) |
150 | 32 |
32 | 6 |
6200 |
ДФ-14.00.15(16) ДФ-14.00.17(18) |
160 | 40 |
32 | 6 |
6200 |
ДФ-14.00.11(12) ДФ-14.00.13(14) |
180 | 60 |
32 | 6 |
6200 |
По желанию заказчика параметры фрез
могут быть изменены.![]()
![]()
![]()
![]()
![]()
![]()
![]()
![]()
![]()
![]()
![]()
Фрезы затылованные из
инструментальной стали Х6ВФ или с напайными пластинами Р6М5.
Назначение:
комплект фрез предназначен для изготовления обшивочной доски (вагонки) с трапециидальным
соединением из древесины твердых и мягких пород на универсальных фрезерных и четырехсторонних
станках.
Комплектация: комплект состоит из двух цельных затылованных
фрез (левой и правой). чертеж
| D, mm |
d, mm | B, mm |
Z | n |
| 130 |
32 | 32 |
4 | 9000 |
| 180 |
60 | 32 |
6 | 6200 |
| 160 |
40 | 32 |
6 | 6200 |
Фрезы затылованные из
инструментальной стали Х6ВФ или с напайными пластинами Р6М5.
Назначение:
комплект фрез предназначен для изготовления обшивочной доски (вагонки) из древесины
твердых и мягких пород на универсальных фрезерных и четырехсторонних станках.
![]()
![]()
![]()
![]()
![]()
![]()
![]()
![]()
![]()
![]()
![]()
Комплектация: комплект состоит из двух полукомплектов (правого и левого)
или из двух правых фрез для фрезерных станков. Каждый полукомплект состоит из
двух фрез соединенных между собой штифтами.![]()
![]()
![]()
![]()
![]()
![]()
![]()
![]()
![]()
![]()
![]()
![]()
![]()
![]()
![]()
![]()
![]()
![]()
![]()
![]()
![]()
![]()
![]()
![]()

Обозначение |
D, mm | d, mm |
B, mm | Z |
n |
ДФ-14.63/1 |
140 | 32 |
32 | 4 |
6200 |
ДФ-14.19 |
160 | 40 |
32 | 6 |
6200 |
ДФ-14.68 |
180 | 60 |
32 | 6 |
6200 |
По желанию заказчика параметры фрез могут быть изменены.
Фрезы затылованные из
инструментальной стали Х6ВФ или с напайными пластинами Р6М5.
Назначение:
комплект фрез предназначен для изготовления обшивочной доски (вагонки) из древесины
твердых и мягких пород на универсальных фрезерных и четырехсторонних станках.
Комплектация: комплект состоит из двух полукомплектов (правого и левого).
Каждый полукомплект состоит из двух фрез.![]()
![]()
![]()
![]()
![]()
![]()
![]()
![]()
![]()
![]()
![]()
| D, mm |
d, mm | B, mm |
Z | n |
| 140 |
32/30 | 30 |
4 | 6200 |
| 160 |
40/30/32 |
30 | 4 |
6200 |
|
180 | 60/40 |
30 | 4 |
6200 |
По желанию заказчика параметры фрез могут быть изменены.
Фрезы с напайными пластинами
из твердого сплава ВК15.![]()
![]()
![]()
![]()
![]()
![]()
![]()
![]()
![]()
![]()
![]()
![]()
![]()
![]()
![]()
![]()
![]()
![]()
![]()
![]()
![]()
![]()
![]()
![]()
Назначение: комплект фрез предназначен для изготовления обшивочной доски
(вагонки) из древесины твердых и мягких пород на универсальных фрезерных и четырехсторонних
станках.
Комплектация: комплект состоит из двух полукомплектов (правого
и левого). Каждый полукомплект состоит из двух взаиморегулируемых фрез. Фрезы
регулируются между собой для обеспечения необходимой ширины паза и гребня с помощью
специальной гайки (поз.1) и фиксируются двумя болтами (поз.2).
| D, mm |
d, mm | B, mm |
Z | n |
| 160 |
40 | 28...30 |
6 | 6000 |
По желанию заказчика параметры фрез могут быть изменены.
Фрезы острозаточенные с напайными пластинами из
твердого сплава ВК15.![]()
![]()
![]()
![]()
![]()
Назначение: комплект фрез предназначен для изготовления обшивочной доски
(вагонки) из древесины твердых и мягких пород на универсальных фрезерных и четырехсторонних
станках.
Комплектация: комплект состоит из двух полукомплектов (правого
и левого). Каждый полукомплект состоит из двух фрез соединенных между собой штифтами.![]()
![]()
![]()
![]()
![]()
![]()
![]()
![]()
![]()
![]()
![]()
| D, mm |
d, mm | B, mm |
Z | n |
| 180 |
60 | 28 |
6 | 6200 |
| 160 |
40 | 28 |
6 | 6200 |
| 140 |
32/40 | 28 |
6 | 6200 |
| 130 |
32 | 28 |
6 | 9000 |
По желанию заказчика параметры фрез могут быть изменены.
Фрезы затылованные из
инструментальной стали Х6ВФ или с напайными пластинами Р6М5.
Назначение:
комплект фрез предназначен для изготовления обшивочной доски (вагонки) из древесины
твердых и мягких пород на универсальных фрезерных и четырехсторонних станках.
Комплектация: комплект состоит из двух полукомплектов (правого и левого).
Каждый полукомплект состоит из двух фрез.
| D, mm |
d, mm | B, mm |
Z | n |
| 130 |
32 | 32 |
4 | 9000 |
| 160 |
40 | 32 |
6 | 6200 |
| 180 |
60 | 32 |
6 | 6200 |
Фрезы затылованные из
инструментальной стали Х6ВФ или с напайными пластинами Р6М5.
Назначение:
комплект фрез предназначен для изготовления обшивочной доски (вагонки) из древесины
твердых и мягких пород на универсальных фрезерных и четырехсторонних станках.
![]()
![]()
![]()
![]()
![]()
![]()
![]()
![]()
![]()
![]()
![]()
Комплектация: комплект состоит из двух полукомплектов (правого и левого)
или из двух правых фрез для фрезерных станков. Каждый полукомплект состоит из
двух фрез.![]()
![]()
![]()
![]()
![]()
![]()
![]()
![]()
![]()
![]()
![]()
![]()
![]()
![]()
![]()
![]()
![]()
![]()
![]()
![]()
![]()
![]()
![]()
![]()

Обозначение |
D, mm | d, mm |
B, mm | Z |
n |
ДФ-14.32(33) |
140 | 32/30 |
30 | 4 |
6200 |
ДФ-14.34(35) |
160 | 40 |
30 | 4 |
6200 |
ДФ-14.36(37) |
180 | 60 |
30 | 4 |
6200 |
По желанию заказчика параметры фрез могут быть изменены.
Фрезы затылованные из
инструментальной стали Х6ВФ или с напайными пластинами Р6М5.
Назначение:
комплект фрез предназначен для изготовления обшивочной доски (вагонки) из древесины
твердых и мягких пород на универсальных фрезерных и четырехсторонних станках.
![]()
![]()
![]()
![]()
![]()
![]()
![]()
![]()
![]()
![]()
![]()
Комплектация: комплект состоит из двух полукомплектов (правого и левого)
или из двух правых фрез для фрезерных станков. Каждый полукомплект состоит из
двух фрез соединенных между собой штифтами.![]()
![]()
![]()
![]()
![]()
![]()
![]()
![]()
![]()
![]()
![]()
![]()
![]()
![]()
![]()
![]()
![]()
![]()
![]()
![]()
![]()
![]()
![]()
![]()

Обозначение |
D, mm | d, mm |
B, mm | Z |
n |
ДФ-14.48(49) |
140 | 32 |
32 | 4 |
6200 |
ДФ-14.44(45) |
160 | 40 |
32 | 6 |
6200 |
ДФ-14.42(43) |
180 | 60 |
32 | 6 |
6200 |
По желанию заказчика параметры фрез могут быть изменены.
Фрезы острозаточенные
с напайными пластинами из твердого сплава ВК15.
Назначение: комплект
фрез предназначен для изготовления обшивочной доски (вагонки) из древесины твердых
и мягких пород на универсальных фрезерных и четырехсторонних станках. ![]()
![]()
![]()
![]()
![]()
![]()
![]()
![]()
![]()
![]()
![]()
Комплектация: комплект состоит из двух полукомплектов (правого и левого).
Каждый полукомплект состоит из трех фрез соединенных между собой штифтами.![]()
![]()
![]()
![]()
![]()
![]()
![]()
![]()
![]()
![]()
![]()
![]()
![]()
![]()
![]()
![]()
![]()
![]()
![]()
![]()
![]()
![]()
![]()
![]()

Обозначение |
D, mm | d, mm |
B, mm | Z |
n |
ДФ-14.50 |
130 | 32 |
28 | 6 |
9000 |
ДФ-14.53 |
140 | 32/40 |
28 | 6 |
6200 |
ДФ-14.54 |
160 | 40 |
28 | 6 |
6200 |
ДФ-14.83 | 160 | 40 | 28 | 6 | 6200 |
ДФ-14.56 | 180 | 60 | 28 | 6 | 6200 |
По желанию заказчика параметры фрез могут быть изменены.
Фрезы затылованные из
инструментальной стали Х6ВФ или с напайными пластинами Р6М5.
Назначение:
комплект фрез предназначен для изготовления обшивочной доски (вагонки) из древесины
твердых и мягких пород на универсальных фрезерных и четырехсторонних станках.
![]()
![]()
![]()
![]()
![]()
![]()
![]()
![]()
![]()
![]()
![]()
Комплектация: комплект состоит из двух полукомплектов (правого и левого)
или из двух правых фрез для фрезерных станков. Каждый полукомплект состоит из
двух фрез соединенных между собой штифтами.![]()
![]()
![]()
![]()
![]()
![]()
![]()
![]()
![]()
![]()
![]()
![]()
![]()
![]()
![]()
![]()
![]()
![]()
![]()
![]()
![]()
![]()
![]()
![]()

Обозначение |
D, mm | d, mm |
B, mm | Z |
n |
ДФ-14.61/1 |
140 | 32 |
32 | 4 |
6200 |
ДФ-14.90 |
160 | 40 |
32 | 6 |
6200 |
ДФ-14.91 |
180 | 60 |
32 | 6 |
6200 |
По желанию заказчика параметры фрез могут быть изменены.
Фрезы затылованные из
инструментальной стали Х6ВФ или с напайными пластинами Р6М5.
Назначение:
комплект фрез предназначен для изготовления обшивочной доски (вагонки) из древесины
твердых и мягких пород на универсальных фрезерных и четырехсторонних станках.
![]()
![]()
![]()
![]()
![]()
![]()
![]()
![]()
![]()
![]()
![]()
Комплектация: комплект состоит из двух полукомплектов (правого и левого)
или из двух правых фрез для фрезерных станков. Каждый полукомплект состоит из
двух фрез соединенных между собой штифтами.![]()
![]()
![]()
![]()
![]()
![]()
![]()
![]()
![]()
![]()
![]()
![]()
![]()
![]()
![]()
![]()
![]()
![]()
![]()
![]()
![]()
![]()
![]()
![]()

Обозначение |
D, mm | d, mm |
B, mm | Z |
n |
ДФ-14.61 |
140 | 32 |
32 | 4 |
6200 |
ДФ-14.80 |
160 | 40 |
32 | 6 |
6200 |
ДФ-14.81 |
180 | 60 |
32 | 6 |
6200 |
По желанию заказчика параметры фрез могут быть изменены.
Фрезы затылованные с
напайными пластинами Р6М5.
Назначение: комплект фрез предназначен для
изготовления обшивочной доски (вагонки) из древесины твердых и мягких пород на
четырехсторонних станках. ![]()
![]()
![]()
![]()
![]()
![]()
![]()
![]()
![]()
![]()
![]()
Комплектация: комплект состоит из двух полукомплектов (правого и левого).
Каждый полукомплект состоит из двух фрез соединенных между собой штифтами.![]()
![]()
![]()
![]()
![]()
![]()
![]()
![]()
![]()
![]()
![]()
![]()
![]()
![]()
![]()
![]()
![]()
![]()
![]()
![]()
![]()
![]()
![]()
![]()

| D, mm | d,
mm | B, mm |
Z | n |
| 180 |
60 | 32 |
6 | 6200 |
| 160 |
40 | 32 |
6 | 6200 |
| 130 |
32 | 32 |
4 | 6200 |
По желанию заказчика параметры фрез могут быть изменены.
Фрезы затылованные из
инструментальной стали Х6ВФ или с напайными пластинами Р6М5.![]()
Назначение: комплект фрез предназначен для изготовления обшивочной доски
(вагонки) из древесины твердых и мягких пород на четырехсторонних станках. ![]()
![]()
![]()
![]()
![]()
![]()
![]()
![]()
![]()
![]()
![]()
Комплектация: комплект состоит из двух затылованных составных фрез.![]()
![]()
![]()
![]()
![]()
![]()
![]()
![]()
![]()
![]()
![]()
![]()
![]()
![]()
![]()
![]()
![]()
![]()
![]()
![]()
![]()
![]()
![]()
![]()

| D, mm | d,
mm | B, mm |
Z | n |
| 160 |
40 | 36 |
6 | 6200 |
| 180 |
60 | 36 |
6 | 6200 |
По желанию заказчика параметры фрез могут быть изменены.
Фрезы затылованные с
напайными пластинами Р6М5.
Назначение: комплект фрез предназначен для
изготовления обшивочной доски (вагонки) из древесины твердых и мягких пород на
четырехсторонних станках. ![]()
![]()
![]()
![]()
![]()
![]()
![]()
![]()
![]()
![]()
![]()
Комплектация: комплект состоит из двух полукомплектов (правого и левого).
Каждый полукомплект состоит из двух взаиморегулируемых фрез. Фрезы регулируются
между собой для обеспечения необходимой ширины паза и гребня с помощью специальной
гайки (поз.1) и фиксируются тремя штифтами (поз.2).![]()
![]()
![]()
![]()
![]()
![]()
![]()
![]()
![]()
![]()
![]()
![]()
![]()
![]()
![]()
![]()
![]()
![]()
![]()
![]()
![]()
![]()
![]()
![]()

| D, mm | d,
mm | B, mm |
Z | n |
| 180 |
40 | 32 |
3/3 | 6000 |
По желанию заказчика параметры фрез могут быть изменены.
Фрезы затылованные из
инструментальной стали Х6ВФ или с напайными пластинами Р6М5.![]()
Назначение: комплект фрез предназначен для изготовления обшивочной доски
(вагонки) из древесины твердых и мягких пород на универсальных фрезерных и четырехсторонних
станках. ![]()
![]()
![]()
![]()
![]()
![]()
![]()
![]()
![]()
![]()
![]()
Комплектация: комплект состоит из двух полукомплектов (правого и левого)
или из двух правых фрез для фрезерных станков. Каждый полукомплект состоит из
двух фрез соединенных между собой штифтами.![]()
![]()

Обозначение |
D, mm | d, mm |
B, mm | Z |
n |
ДФ-14.63/2 |
140 | 32 |
32 | 4 |
6200 |
ДФ-14.74 |
160 | 40 |
32 | 6 |
6200 |
ДФ-14.73 |
180 | 60 |
32 | 6 |
6200 |
По желанию заказчика параметры фрез могут быть изменены.
Фрезы затылованные из
инструментальной стали Х6ВФ или с напайными пластинами Р6М5.![]()
Назначение: комплект фрез предназначен для изготовления обшивочной доски
(вагонки) с трапециидальным соединением из древесины твердых и мягких пород на
универсальных фрезерных и четырехсторонних станках.
Комплектация: комплект
состоит из двух цельных затылованных фрез.![]()
![]()

| D,mm | d,mm |
B,mm | Z | B1,mm | b,mm | h,mm | h1,mm |
n |
| 125 |
32 | 30(50) |
4 | 14...20(26...36) | 5(10) | 5,5(8,5) | 5(8) |
9000 |
|
160 | 40 |
30(50) | 6 | 14...20(26...36) | 5(10) | 5,5(8,5) | 5(8) |
6200 |
|
180 | 60 |
30(50) | 6 | 14...20(26...36) | 5(10) | 5,5(8,5) | 5(8) |
6200 |
По желанию заказчика параметры фрез могут быть изменены.
Фрезы затылованные из
инструментальной стали Х6ВФ или с напайными пластинами Р6М5.![]()
Назначение: комплект фрез предназначен для изготовления обшивочной доски
(вагонки) из древесины твердых и мягких пород на универсальных фрезерных и четырехсторонних
станках. ![]()
![]()
![]()
![]()
![]()
![]()
![]()
![]()
Комплектация: комплект состоит из двухсоставных затылованных фрез (правой
и левой) или из двух правых фрез для фрезерных станков. ![]()

| D,mm | d,mm |
B,mm | Z |
n |
| 125 |
32 | 26 |
4 | 9000 |
| 160 |
40 | 26 |
6 | 6200 |
| 180 |
60 | 26 |
6 | 6200 |
По желанию заказчика параметры фрез могут быть изменены.
Фрезы с напайными пластинами
из твердого сплава ВК15.
Назначение: комплект фрез предназначен для
изготовления обшивочной доски (вагонки) из древесины твердых и мягких пород на
универсальных фрезерных и четырехсторонних станках. ![]()
![]()
![]()
![]()
![]()
![]()
![]()
![]()
![]()
![]()
![]()
Комплектация: комплект состоит из двух полукомплектов (правого и левого).
Каждый полукомплект состоит из двух взаиморегулируемых фрез. Фрезы регулируются
между собой для обеспечения необходимой ширины паза и гребня с помощью специальной
гайки (поз.1) и фиксируются двумя винтами (поз.2).![]()
![]()
![]()
![]()
![]()
![]()
![]()
![]()
![]()
![]()
![]()
![]()
![]()
![]()
![]()
![]()
![]()
![]()
![]()
![]()
![]()
![]()
![]()
![]()

| D, mm | d,
mm | B, mm |
Z | n |
| 160 |
40(32) | 28...30 |
6 | 6000 |
По желанию заказчика параметры фрез могут быть изменены.
Фрезы затылованные из инструментальной стали Х6ВФ
или с напайными пластинами Р6М5.![]()
![]()
![]()
![]()
![]()
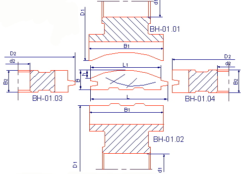
Назначение: комплект фрез предназначен для изготовления радиусной обшивочной
доски блок-хауз (block-house) из древесины твердых и мягких пород на четырехсторонних
станках.
Комплектация: полный комплект состоит из четырех фрез: верхняя
(block-house), две боковые (левой и правой) и нижняя (воздушка). Заказчик может
выбирать любую комбинацию фрез. При заказе необходимо указывать следующие параметры
D,d,L,B,h. ![]()
![]()
![]()
![]()
![]()
![]()
![]()
![]()
![]()
![]()

| D1,mm | d1,mm |
B1,mm | D2,mm |
d2,mm | В2,mm | L,mm | h,mm | B,mm |
Z | n |
| 125 |
32/40 | 90...120 |
125 | 32/40 | 22,30,50 | 80...160 | 10...20 | 20...50 |
4 | 9000 |
| 140 |
40/50 | 90...140 |
160 | 40/50 | 22,30,50 | 80...160 | 10...20 | 20...50 |
4/6 | 6200 |
| 160 |
40/50/60 | 90...170 |
160 | 40/50/60 | 22,30,50 | 80...160 | 10...20 | 20...50 |
4/6 | 6200 |
| 180 |
40/50/60 | 90...170 |
180 | 40/50/60 | 22,30,50 | 80...160 | 10...20 | 20...50 |
4/6 | 6200 |
По желанию заказчика параметры фрез могут быть изменены.
Фрезы затылованные из
инструментальной стали Х6ВФ или с напайными пластинами Р6М5.
Назначение:
комплект фрез предназначен для изготовления обшивочной доски wood-house для имитации
стенового бруса из древесины твердых и мягких пород на четырехсторонних станках.
Комплектация: полный комплект состоит из четырех фрез: верхняя (wood-house),
две боковые (левой и правой) и нижняя (воздушка). Заказчик может выбирать любую
комбинацию фрез.![]()
![]()
![]()
![]()
![]()
![]()
![]()
![]()
![]()
![]()
![]()
| D1, mm |
d1, mm | B1,
mm | D2, mm |
d2, mm | Z |
n |
| 125 |
32/40 | 60...90 |
125 | 32/40 |
4 | 9000 |
| 140 |
40/50 | 90...120 |
160 | 40/50 |
4/6 | 6200 |
| 160 |
40/50/60 |
90...170 |
160 | 40/50/60 |
4/6 | 6200 |
| 180 |
40/50/60 |
90...170 |
180 | 40/50/60 |
4/6 | 6200 |
По желанию заказчика параметры фрез могут быть изменены.